1 / 5



Design and Manufacture Conform to EN593, API609
Flange dimensions Conform to EN1092-2/ANSI B16.1
Face to Face dimensions Conform to EN558-1
Testing Conform to EN12266-1, API 598
Driving mode: Lever, Worm actuator, Electric, Pneumatic
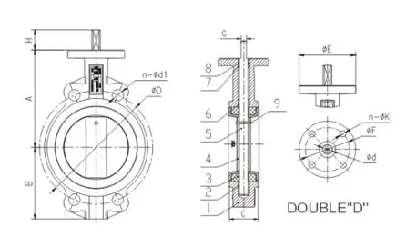
| NO. | Part Name | Material | Optional Material |
|---|---|---|---|
| 1 | Body | DI | CI, WCB, Stainless Steel |
| 2 | Down Bearing | F4 | Bronze |
| 3 | Seat | NBR | EPDM, FKM |
| 4 | Disc | Plated Ductile Iron | ASTM A351 CF8/CF8M, B148 C954/C958 |
| 5 | Shaft | ASTM A276 416 | 304, 316, 17-4PH |
| 6 | Middle Bearing | F4 | Bronze |
| 7 | Upper Bearing | F4 | Bronze |
| 8 | O Ring | NBR | EPDM, FKM |
| 9 | Pin | ASTM A276 416 | 316, 17-4PH, Monel |
| DN | A | B | C | H | ΦE | PN10 ΦD | PN16 ΦD | ANSI 125 ΦD |
|---|---|---|---|---|---|---|---|---|
| DN40 | 120 | 75 | 33 | 32 | 90 | 110 | 110 | 98.5 |
| DN50 | 124 | 80 | 43 | 32 | 90 | 125 | 125 | 120.5 |
| DN80 | 141 | 95 | 46 | 32 | 90 | 160 | 160 | 152.5 |
| DN100 | 156 | 114 | 52 | 32 | 90 | 180 | 180 | 190.5 |
| DN150 | 184 | 140 | 56 | 32 | 90 | 240 | 240 | 241.5 |
| DN200 | 213 | 175 | 60 | 45 | 125 | 295 | 295 | 298.5 |
| DN300 | 283 | 255 | 78 | 45 | 150 | 400 | 410 | 432 |





